029-88685961电话:029-88685961
手机:17791598626
邮箱:kfgd@xakfgd.net
QQ:641511350
地址:陕西省西咸新区沣西新城西部云谷三期11号楼3层

产品简介:
KFG-500型光具座是一种像质优良,附件众多,使用方便,用途广泛的综合性光学测量仪器,主要用于各种光学零件、部件及光学系统的像质研究及光学基本量的测定,仪器配有各种附件,能作以下几个方面的测量。
(1)用玻罗法测定物镜的焦距,也可直接测量截距。
(2)借助其他仪器(如视度管、倍率计等)可对望远系统作视度、视差、放大率、出瞳直径和出瞳距离等参数的测量。
(3)用分辨率板法确定物镜、棱镜及其组合系统的分辨能力。用星点法检验透镜、棱镜及其组合系统的成像质量。
主要技术参数:
焦 距:500mm 照明灯泡:6V3W 白色LED 有效孔径:φ80mm
分辨率:≤1.8″ 视 场:≥3° 平 行 性:≤10″
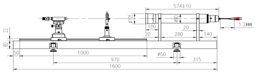
产品外形尺寸:

主要配置:
| 名 称 | 数 量 | 单 位 | 详细信息 | |
| 平行光管 | 1 | 套 | KFP-500A型 | |
| 读数显微镜 | 1 | 套 | 型号:DXJ-1 | |
| 读数显微镜附件 | 1 | 件 | 10倍目镜、15倍测微目镜、1倍物镜、4倍物镜、10倍物镜,各1件 | |
| 透镜夹持器 | 1 | 套 | 型号:TJQ-1 | |
| 含导轨的底座 | 1 | 套 | 导轨长度1000mm | |
| 6V直流稳压电源 | 1 | 套 | 型号:KFD-6A型 平行光管用 | |
| 平行光管附件 | 10 | 件 | 带框十字分划板1件;分辨率板(2#-3#)各1件;玻罗板1件;星点板(0.2/0.02/0.05)各1件;滤光片:橙色、绿色、中性各1件 | |
| 光学平台 | 1 | 台 | 选配 | |