029-88685961电话:029-88685961
手机:17791598626
邮箱:kfgd@xakfgd.net
QQ:641511350
地址:陕西省西咸新区沣西新城西部云谷三期11号楼3层

产品简介:
GX-Ⅱ型光学象限仪是用于测量按规定角度装定之平面或管、轴对于水平之间的倾斜角及装置角的仪器。由于其使用方便、性能稳定、精度高等特点,已广泛地用于造船业、军工、航空、制造业及大型机器的安装。
主要技术参数:
度盘刻度值:1° 显微镜分划板刻度值:30″ 纵向水准器刻度值:30″/2㎜
角度测量范围:±120° 横向水准器刻度值:3′/2㎜ 最大示值误差:≤25″
重量:1.5kg
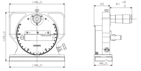
产品外形尺寸:
产品配置:
| 产品名称 | 数量 | 单位 | 详细信息 |
| 光学象限仪 | 1 | 套 | GX-Ⅱ型 |