029-88685961电话:029-88685961
手机:17791598626
邮箱:kfgd@xakfgd.net
QQ:641511350
地址:陕西省西咸新区沣西新城西部云谷三期11号楼3层

产品简介:
KFP-550型平行光管是用以获得平行光束的仪器,模拟无穷远目标,用作光学材料均匀性检查、视差的检验与校准,是光学仪器的生产、科研、教学等单位常用的基本光学测试工具之一。
主要技术参数:
焦 距:550±5.5mm(理论值) 有效孔径:Φ55mm 分辨率:2.8″
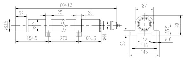
产品外形尺寸:

产品配置:
| 名 称 | 数 量 | 单 位 | 详细信息 | |
| 平行光管 | 1 | 套 | KFP-550型 | |
| 直流稳压电源 | 1 | 个 | KFD-4型 | |
| 分划板 | 1 | 件 | 可根据测量需要选用分划精度20″、30″ | |
| 光学平台 | 1 | 台 | 选配 | |