029-88685961电话:029-88685961
手机:17791598626
邮箱:kfgd@xakfgd.net
QQ:641511350
地址:陕西省西咸新区沣西新城西部云谷三期11号楼3层

产品简介:
KFP-1600L(Φ300)型离轴反射式平行光管主要用于光学系统光轴调校的光学仪器,该仪器具有测量孔径大、光谱范围宽等优点,是进行光学仪器多光轴调校的专用仪器,主要可用于激光光轴、电视光轴、目视光轴间的光轴平行性调校,配备其它附件也可进行光学系统的其它参数测量。
主要技术参数:
物镜焦距:1600mm(理论值) 有效孔径:Φ300mm 面形精度:RMS优于1/20λ
反 射 率:≥85% 主镜材质:K9光学玻璃 膜 层:镀铝硅保护
出射光束平行性:优于5" 视 场: ≥1°
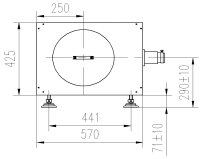
产品外形尺寸:

产品配置:
| 名 称 | 数 量 | 单 位 | 详细信息 | |
| 离轴反射式平行光管 | 1 | 套 | KFP-1600L型 含调整支架 | |
| 带框毛玻璃 | 1 | 件 | ||
| 带框滤光片 | 3 | 件 | 绿色、橙色、中性各1件 | |
| 光源组件 | 1 | 套 | KGY-290型 12V20W卤素光源 | |
| 带框分划板 | 12 | 件 | 十字分划板1件;分辨率板(1#-5#)各1件;星点板(φ0.01、φ0.02、φ0.05、φ0.1、φ0.2、)各1件;玻罗板1件; | |
| 电动旋转式靶板 | 1 | 套 | 可选配置(定制) | |
| 金属针孔板 | 1 | 件 | 可选配置(定制) | |
| 金属十字分划板 | 1 | 件 | 可选配置(定制) | |
| 金属四杆靶 | 1 | 件 | 可选配置(定制) | |
| 黑体 | 1 | 件 | 可选配置(定制) | |
| 光学平台 | 1 | 台 | 选配 | |