029-88685961电话:029-88685961
手机:17791598626
邮箱:kfgd@xakfgd.net
QQ:641511350
地址:陕西省西咸新区沣西新城西部云谷三期11号楼3层

产品简介:
此产品是一种具有双分划板式目镜的仪器,在光学仪器生产装校工作中,既能作瞄准用,又能测量用。主要用来测量导轨的直线性、精密平板的平面度、基面之间的垂直度和平行度、精密轴系的晃动误差等;同时还可以用来测量各种棱镜的角度差和平镜的平行差以及测量检验各种棱镜、平面镜与装配基面之间的角度误差等。该仪器被广泛用于机械制造业、计量室、精密仪器制造业、光学实验室、光学冷加工以及光学仪器的装配、调整、检验等领域。
主要技术参数:
物镜焦距:400mm 出瞳距离: 18mm 有效孔径: φ50mm
视 场: 1°57′ 放大倍率: 20x 分辨率: ≤2.8″
自准像格值: 20″ 出瞳直径:φ2.6mm 目镜调节范围:±5视度
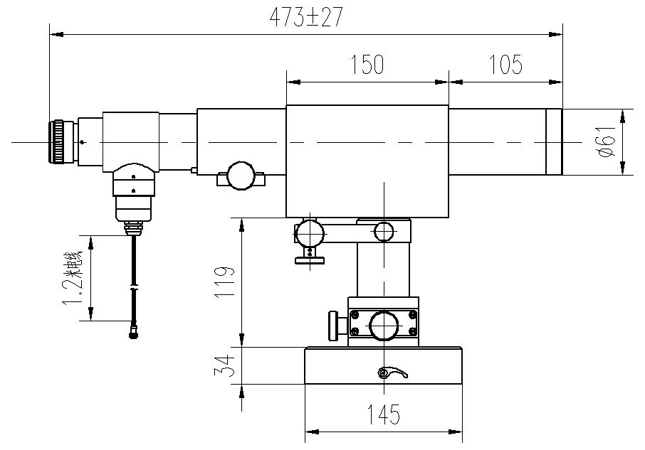
产品外形尺寸:
![]()
电源组件尺寸:
产品配置:
| 名 称 | 数量 | 单位 | 详细信息 |
| 双目前置镜 | 1 | 套 | ZQJ-20型 |
| 电源组件 | 1 | 套 | KFD-6型 |