029-88685961电话:029-88685961
手机:17791598626
邮箱:kfgd@xakfgd.net
QQ:641511350
地址:陕西省西咸新区沣西新城西部云谷三期11号楼3层

产品简介:
KFP-2000型平行光管是一种长焦距、大口径,并具有优良相质的双分离物镜的仪器,它配备多种附件,常与前置镜或测量显微镜组合作用,既可作观察、瞄准用的无穷远目标,又可用于光学零部件、光学系统的光学常数测定、成像质量以及微光夜视产品的评定工作和检测,是光学仪器的生产、科研、教学等单位常用的基本光学测试工具之一。
主要技术参数:
物镜焦距:2000mm 有效孔径:Φ200mm 分 辨 率:≤0.65″
视 场:≥0.8° 平 行 性:≤10″ 镜管外径:Φ216mm
照明灯泡:12V30W卤素光源 工作波段:380-780nm
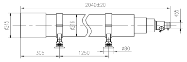
产品外形尺寸:
产品配置:
| 名 称 | 数 量 | 单 位 | 详细信息 | |
| KFP-2000型平行光管 | 1 | 套 | 含调整支架 | |
| 带框滤光片 | 3 | 套 | 橙色、绿色、中性各1件 | |
| 带框毛玻璃 | 1 | 件 | ||
| 光源组件 | 1 | 件 | KGY-186型 调高筒灯 | |
| 带框分划板 | 12 | 件 | 带框十字分划板1件; 分辨率板(1#-5#)各1件; 星点板(φ0.01、φ0.02、φ0.05、φ0.1、φ0.2)各1件; 玻罗板1件; | |
| 直流稳压电源 | 1 | 件 | 0~20V3A | |
| 光学平台 | 1 | 台 | 选配 | |