KFP-550型平行光管
作者:科峰光电 发布日期:2021-03-12 10:45:30 关注次数: 37

产品简介:
KFP-550型平行光管是用以获得平行光束的仪器,模拟无穷远目标,用作光学材料均匀性检查、视差的检验与校准,是光学仪器的生产、科研、教学等单位常用的基本光学测试工具之一。
主要技术参数:
焦 距:550mm 有效孔径:Φ55mm 分辨率:2.8″
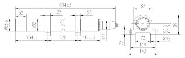
产品外形尺寸:

产品配置:
| 名 称 | 数 量 | 单 位 | 详细信息 |
| 平行光管 | 1 | 套 | KFP-550型(20″/30″) |
| 直流稳压电源 | 1 | 个 | 输出电压:4V |
| 光学平台 | 1 | 台 | 选配 |