欢迎光临西安科峰光电科技有限公司官方网站!
  • 联系我们029-88685961
联系我们

电话:029-88685961

手机:17791598626

邮箱:kfgd@xakfgd.net

QQ:641511350

地址:陕西省西咸新区沣西新城西部云谷三期11号楼3层

放大倍率测试仪
作者:科峰光电   发布日期:2022-08-16 09:42:00   关注次数: 43

望远镜放大倍率测试仪_副本.png




产品简介: 

       本仪器主要用于检测各种望远系统的视放大率,亦可检测双筒望远镜亮镜筒的放大倍率一致性。







      相机主要技术参数:


型     号UH600接      口USB3.0
分辨率3072*2048像元尺寸2.4μm*2.4μm
靶板尺寸1/1.8数据位数12bit
曝光方式逐行曝光输出帧率30FPS
输出颜色彩色

           


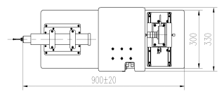
       产品外形尺寸:


                      image.png                       image.png